Dysza dalekiego zasięgu KHA Dysze dalekiego zasięgu stosuje się do nawiewania powietrza wentylacyjnego w pomieszczeniach o dużej kubaturze lub w pomieszczeniach, w których nie ma możliwości swobodnego rozprowadzenia instalacji i należy dostarczyć powietrze na dużą odległość (np. do przeciwległej części pomieszczenia). Odpowiednia budowa dyszy umożliwia przepływ dużej ilości powietrza przy niskim poziomie ciśnienia akustycznego zapewniając duży zasięg nawiewu.
Soczewkowa konstrukcja dyszy dalekiego zasięgu pozwala na zmianę kąta nawiewu powietrza o 30˚ w dowolnym kierunku (nie powodując zmiany oporów i mocy akustycznej).
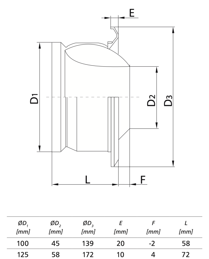
Dane techniczne:
materiał: aluminium
wykończenie: malowanie proszkowe
kolor: biały połysk RAL 9016
Kolory produktów mogą nieznacznie różnić się od tych widocznych na zdjęciach, co wynika m.in. z ustawień monitora. Dodatkowo rzeczywisty wygląd produktu może delikatnie odbiegać od prezentowanego na zdjęciach z uwagi na różnice w partiach produkcyjnych lub drobne zmiany w procesie produkcji.